首页 | 联系我们
精工首页 精工优势 产品展示 安防知识 精工应用 下载中心 联系我们
  AVENIR精工镜头产品展示  
2014精工镜头百万像素系列
 150万像素镜头
 200万像素高清镜头
 300万像素高清镜头
 红外百万像素高清镜头
2014精工镜头智能交通专用系列
 150万像素智能交通专用系列
 500万像素智能交通专用系列
2014精工镜头标清系列
 固定焦距
 多种焦距
 多种焦距及红外对应
 电动变倍
 针孔镜头
2013 AVENIR LENS 精工镜头
 百万像素高清镜头
 红外对应镜头
 手动定焦镜头
 自动光圈镜头
 直插式镜头
 多种焦距镜头
 手动变焦镜头
 电动变焦镜头
 MTV单板镜头
 针孔镜头
2013 AVENIR ETOKU 精工镜头
 百万像素高清镜头
 红外对应镜头
 手动定焦镜头
 自动光圈镜头
 直插式镜头
 多种焦距镜头
 手动变焦镜头
 电动变焦镜头
 针孔镜头
镜头配件
 
  产品详细资料   
 
 2013 AVENIR ETOKU 精工镜头 >> 电动变焦镜头 >> SL10200A 电动变焦镜头
  
产品名称:

产品型号:

产品类别:
SL10200A 电动变焦镜头

SL10200A

2013 AVENIR ETOKU 精工镜头---电动变焦镜头


 
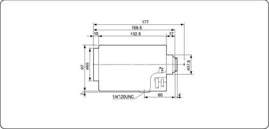
  产品技术参数说明
 
Model No SL10200A
Image Format Cover 1/3" 1/2"
Focal Length 10-200mm
Maximum Aperture Ratio F1.8-360
Iris Control Method Video Drive
Focus Control Method Motorized
Zoom Control Method Motorized
Angle Field of View
(D×H×V)
1/3 inch Wide 26.8°× 20.1°
Tele 1.4°× 1.1°
1/2 inch Wide 35.7°× 26.8°
Tele 1.9°× 1.4°
2/3 inch Wide ***
Tele ***
1 inch Wide ***
Tele ***
Minimum Object Distance 1.5m
Back Focal Length 14.39mm
Effective Diameter Front Φ57.0mm
Rear Φ13.8mm
Filter Screw Size M62.0 P=0.75
Mount C
Mechanical Dimension(D×L) Φ78×92×159.5mm
Weight 880g
Comments

点击新窗口打开大图
 
点击数:2324  录入时间:2012-2-9 【打印此页】 【关闭
联系我们 | 销售网络 | 隐私保护 | 法律声明 | 版权所有(C) 2014 - 2020 精工镜头(AVENIR LENS) 版权所有